半岛外围网上直营

iSVD78C-48V-230-A14-002
产品中心 行星关节模组

iSVD78C-48V-230-A14-002

富兴步进电机提供高性能的两相及三相混合式步进电机,有多种尺寸和输出扭矩,单极性或双极性控制以及单轴或双轴。产品分为标准型,力矩增强型,高防护型等,可以充分满足不同用户的各种应用需求。
选件:
  • iSVD78C-48V-230-A14-002

    编码器

  • iSVD78C-48V-230-A14-002

    齿轮箱

  • iSVD78C-48V-230-A14-002

    接插件

  • iSVD78C-48V-230-A14-002

    刹车

标准使用状态

1. 额定电压: 48 VDC

2. 使用电压范围: 24V—60 VDC 

3. 额定负载(CW):6 N.m 

4. 运转⽅向: CW/CCW 从出轴⽅向看 

5. 使用姿势:出轴⽅向为⽔平或者垂直 

6. 标准使用温度:25±5℃ 

7. 使用温度范围:-20~50℃ 

8. 标准使用湿度:65% 

9. 使用湿度范围:5~85%,无凝露 

10. 保存温度范围:-30~70℃ 

11. 绝缘等级:Class B


电气特性

1. 空载转速:410 rpm±10%

2. 空载电流:0.5 Arms 

3. 额定负载: 6 N.m 

4. 额定负载转速:360rpm±10% 

5. 额定负载相电流(峰值):7Apk±10% 

6. 峰值负载:17 N.m 

7. 最大负载相电流(峰值):23Apk±10% 

8. 绝缘电阻/定⼦绕组:DC 500VAC, 100M Ohms 

9. 耐⾼压/定⼦与机壳: 600 VAC, 1s, 2mA 

10. 电机反电势:0.096Vrms/rpm±10% 

11. 转矩常数:1.22N.m/Arms 

12. T-N曲线 (36V)


驱动器产品规格


项目
数据
额定工作电压48VDC
允许最大电压60VDC
额定工作相电流7Apk
最大允许相电流23Apk
待机功率≤18mA
CAN总线⽐特率1Mbps
尺⼨Φ58mm
工作环境温度-20℃⾄50℃
控制板允许最大温度105℃
编码器分辨率14bit(单圈绝对值)


主要器件及规格

序号
项目
规格数量
1MCU芯⽚GD32F303RGT61 PCS
2驱动芯⽚DRV8353-SRTAR1 PCS
3磁编码器芯⽚AS5047P2 PCS
4热敏电阻LTS00- 104J395T19E010/NCP18XH103F03RB2 PCS
5功率MOSJMGG031V06A6 PCS


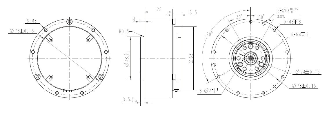
电机尺寸

image

资料下载
iSVD78C-48V-230-A14-002 256.97 KB
iSVD78C-48V-230-A14-002(3D) 334.87 KB
iSVD78C-48V-230-A14-002使用说明书250428 1.97 MB

Copyright 2023 版权所有 江苏富兴电机技术股份有限公司

网上正规雷火竞技网(官方)网站/网页版登录入口/手机版登录入口-最新版(已更新) 利记线上足球大全(官方)网站/网页版登录入口/手机版登录入口-最新版(已更新) 线上boyu·博鱼足球大全(官方)网站/网页版登录入口/手机版登录入口-最新版(已更新) 现金十大188BET导航(官方)网站/网页版登录入口/手机版登录入口-最新版(已更新) 最火真人博鱼网址(官方)网站/网页版登录入口/手机版登录入口-最新版(已更新) 188BET最大网(官方)网站/网页版登录入口/手机版登录入口-最新版(已更新) boyu·博鱼最新足球大全(官方)网站/网页版登录入口/手机版登录入口-最新版(已更新) 雷火竞技真人信誉网(官方)网站/网页版登录入口/手机版登录入口-最新版(已更新)