半岛外围网上直营

FL70HSV
产品中心 无框电机

FL70HSV

Φ70mm无框电机,48VDC
选件:
  • FL70HSV

    编码器

  • FL70HSV

    齿轮箱

  • FL70HSV

    接插件

  • FL70HSV

    刹车

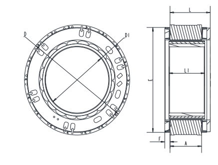
项目(Items)

FL70HSV10

FL70HSV19

公差(Tolerance)

定子外径D

69mm

69mm

±0.037( js9)

定子长度L

23.5mm

32mm

±1

转子内径D1

42mm

42mm

+0.039/0(H8)

转子长度L1

18mm

27.5mm

±0.2

灌胶面外圆E

66mm

66mm

±0.2

灌胶面高度F

3.5mm

3.5mm

±0.3

定子铁芯高度A

10.5mm

18.9mm

-0.5/0


特性概要 ( General Specifications )    

绕组连接方式( Winding Type )

星形 ( Star connection)

霍尔分布角度( Hall Effect Angle )

120度电角度 ( Electrical Angle of 120 degree)

介电强度( Dielectric Strength )  

1000VAC/1S

绝缘电阻( Insulation Resistance )

100MΩ, 500VDC

使用环境( Operation Ambient )

-20°C   ~   +50°C

绝缘等级(Insulation Class)

Class B


接线说明(Electric Connection)   

引出线颜色

Color

引出线型号

Type

功能

Functions

PIN1

Connector for Hall is optional

Type: SM07B-GHS-TB

热敏 ( NTC2 )

PIN2

热敏 ( NTC1 )

PIN3

霍尔电源负 ( GND )

PIN4

霍尔 A ( Ha )

PIN5

霍尔 B ( Hb )

PIN6

霍尔 C( Hc )

PIN7

霍尔电源正  ( Vcc )

黄色  ( Yellow )

UL1332 AWG20

UL1332 AWG18

U相 ( Phase U )

红色  ( Red )

V相 ( Phase V )

黑色  ( Black)

W相 ( Phase W )

  

电性能 (Electrical Specifications)  


(Unit)

FL70HSV10-48V-36250

FL70HSV19-48V-35366

极数  ( Number of poles )

 

20

20

相数  ( Number of phases )


3

3

额定电压 (   Rated  voltage )       ; 

VDC

48

48

额定转矩 (   Rated torque)     ;  

N.m

0.55

1.0

额定电流(Rated current)                

A

5.1

9.2

额定速度 (   Rated speed )        

RPM

3650

3500

额定功率 (   Rated power )        

W

210

366

最大转速(Maximum speed)              

RPM

4750

4500

峰值转矩 (   Peak torque )         

N.m

1.65

3.0

峰值电流 (   Peak current )        

A

15.5

28

线电阻 (   Line to line resistance )             

ohms@20

0.38

0.19

线电感 (   Line to line inductance )             

mH 

0.33

0.18

转矩常数 (   Torque constant )        

Nm/A

0.118

0.12

反电势 (   Back EMF )          

Vrms/KRPM

7.14

7.4

重量 (   Weight )              

g

210

315

电气时间常数(Electrical   time constant)   

ms

0.87

0.95

 该款电机可以根据客户需求定制。

The motor can be designed &manufactured with customized request.

电机尺寸

image

资料下载

Copyright 2023 版权所有 江苏富兴电机技术股份有限公司

网上正规雷火竞技网(官方)网站/网页版登录入口/手机版登录入口-最新版(已更新) 利记线上足球大全(官方)网站/网页版登录入口/手机版登录入口-最新版(已更新) 线上boyu·博鱼足球大全(官方)网站/网页版登录入口/手机版登录入口-最新版(已更新) 现金十大188BET导航(官方)网站/网页版登录入口/手机版登录入口-最新版(已更新) 最火真人博鱼网址(官方)网站/网页版登录入口/手机版登录入口-最新版(已更新) 188BET最大网(官方)网站/网页版登录入口/手机版登录入口-最新版(已更新) boyu·博鱼最新足球大全(官方)网站/网页版登录入口/手机版登录入口-最新版(已更新) 雷火竞技真人信誉网(官方)网站/网页版登录入口/手机版登录入口-最新版(已更新)