半岛外围网上直营

FL60BLG
产品中心 高性能防水无刷电机

FL60BLG

60mm高性能防水无刷电机,IP65, F级绝缘,伺服结构
选件:
  • FL60BLG

    编码器

  • FL60BLG

    齿轮箱

  • FL60BLG

    接插件

  • FL60BLG

    刹车

特性概要 ( General Specifications )

绕组连接方式 ( Winding Type )

星形 ( Star connection )

径向负载 ( Max radial force )

245N @ 20mm from the flange

轴向负载 ( Max axial force )

98N

绝缘等级 (Insulation Class)

Class B

防护等级 (Protection level)

IP65

使用环境温度 (Temperature)  

-20℃~ +50℃

使用环境湿度 (Relative humidity)

≤90%RH (无凝露)( No dewing)

存储环境 (Storage Condition)

-20℃~ +85℃,≤85%RH (无凝露)( No dewing)

安装环境(Installation environment)

远离腐蚀、可燃性气体,油滴,灰尘,

海拔≤1000m  Far away active gas,

Combustible gas, oil drop, ash


接线说明(Electric Connection)

Pin No

引出线型号Type

引出线颜色Color

功能Functions

5

UL1332 AWG26

 

绿色  ( Green )

霍尔电源正  ( Vcc )

1


黄色  ( Yellow )

霍尔 U ( Hu )

2


棕色  ( Brown )

霍尔 V ( Hv )

3


灰色  ( Gray )

霍尔 W ( Hw )

4


蓝色  ( Blue )

霍尔电源负 ( GND )

1

3*AWG16+2*AWG20(红+白)

黄色  ( Yellow )

U相 ( Phase U )

2


红色  ( Red)

V相 ( Phase V )

3


黑色  ( Black )

W相 ( Phase W )


电机技术性能 (Motor Technical Specification)

类型     (Model)

单位(Unit)

FL60 BLG20

FL60 BLG40

额定功率(Rated power)                  Pn

W

200

400

额定电压(Rated voltage)                 U

VDC

48

220

48

220

额定转速(Rated speed)                  nn

RPM

3000

3000

3000

3000

额定转矩(Rated torque)                 Tn

N·m

0.64

0.64

1.27

1.27

额定电流(Rated current)                 ;In

A

6

1.2

12

2.4

峰值转矩(Peak torque)                  Tm

N·m

1.92

1.92

3.81

3.81

峰值电流(Peak current)                  Im

 A

18

3.6

36

7.2

电阻(Line to line resistance)      ;        RL

Ω

0.38

9.35

0.23

3.46

电感(Line to line inductance)             LL

mH

0.68

17

0.3

7.14

反电势系数(BackEMF)      ;          Ke

V/Krpm

6.5

32

6.5

32

转矩系数(Torque constant)       Kt

Nm/A

0.107

0.53

0.107

0.53

转动惯量(Rotor inertia)  Jm0

Kg.cm2

0.15

0.15

0.25

0.25

转动惯量带制动器(Rotor inertia with brake) Jm1

Kg.cm2

0.15

   0.15

     0.25

0.25

极数(Number of poles)


10

10

10

10

机身长度(Motor length)   L1

mm

86.5

79.5

106

99

机身长度带制动器(Motor length with brake) L2

mm

123

116

142.5

135.5

重量 (Weight)

Kg

0.95

     0.9

1.35

1.3

重量带制动器(Weight with brake)

Kg

1.35

     1.3

1.85

1.8


该款电机可以根据客户需求定制。

The motor can be designed &manufactured ;with customized request.


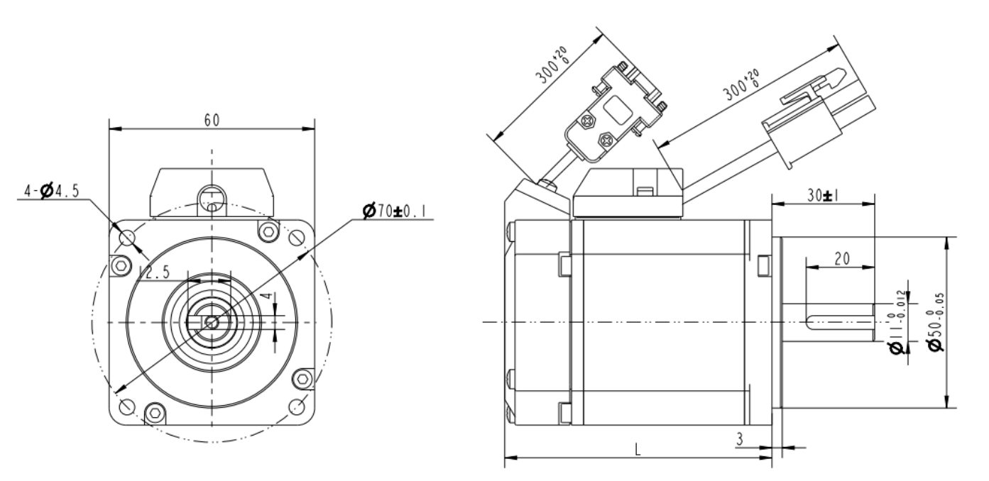
电机尺寸

image

资料下载

Copyright 2023 版权所有 江苏富兴电机技术股份有限公司

网上正规雷火竞技网(官方)网站/网页版登录入口/手机版登录入口-最新版(已更新) 利记线上足球大全(官方)网站/网页版登录入口/手机版登录入口-最新版(已更新) 线上boyu·博鱼足球大全(官方)网站/网页版登录入口/手机版登录入口-最新版(已更新) 现金十大188BET导航(官方)网站/网页版登录入口/手机版登录入口-最新版(已更新) 最火真人博鱼网址(官方)网站/网页版登录入口/手机版登录入口-最新版(已更新) 188BET最大网(官方)网站/网页版登录入口/手机版登录入口-最新版(已更新) boyu·博鱼最新足球大全(官方)网站/网页版登录入口/手机版登录入口-最新版(已更新) 雷火竞技真人信誉网(官方)网站/网页版登录入口/手机版登录入口-最新版(已更新)