半岛外围网上直营

FL60SC
产品中心 闭环步进电机

FL60SC

1.8°,60mm,Nema24,闭环步进电机
选件:
  • FL60SC

    编码器

  • FL60SC

    齿轮箱

  • FL60SC

    接插件

  • FL60SC

    刹车

  一般技术特性 (General Technical Information)

特性(Characteristic)

参数(Parameter)

编码器类型(Encoder type)

1、光电编码器 Optical encoder

2、磁编码器 Magnetic encoder

3、旋转变压器Resolver

备注:多种分辨率可选,增量式、绝对值式可选。

Note: Multiple resolutions are available;Incremental and absolute values are available.

径向负载(Max radial force )

75N@20mm from the flange

 

 

 

环境条件

Environmental conditions 

使用环境温度: -20℃~ +40℃;

Temperature: -20℃~ +40℃

使用环境湿度:≤90%RH(无凝露);

Relative humidity: ≤90%RH(No dewing)

安装环境:远离腐蚀、可燃性气体,油滴,灰尘,

海拔≤1000m(1000~4000m,降额使用);

Installation environment: Far away active gas,

Combustible gas, oil drop, ash.

altitude≤1000m(1000~4000m,Derating use);

存储环境:-20℃~ +60℃,≤85%RH(无凝露)。

Storage Condition: -20℃~ +60℃,≤85%RH(No dewing).

轴向负载(Max axial force)

15N

绝缘等级(Insulation Class)

B

防护等级(Protection level)

IP30

 

电机技术性能  (Motor Technical Specification)


单位(Unit)

FL60SC30

FL60SC40

相电流   (Phase current)

A

6.0

5.6

保持转矩 (Holding torque)

N·m

3.0

3.6

最高转速 (Speed )

rpm

1800

1800

编码器   (Encoder)


1000cpr光电增量式编码器

1000cpr incremental optical encoder

转动惯量 (Rotor inertia)

g.cm2

800

860

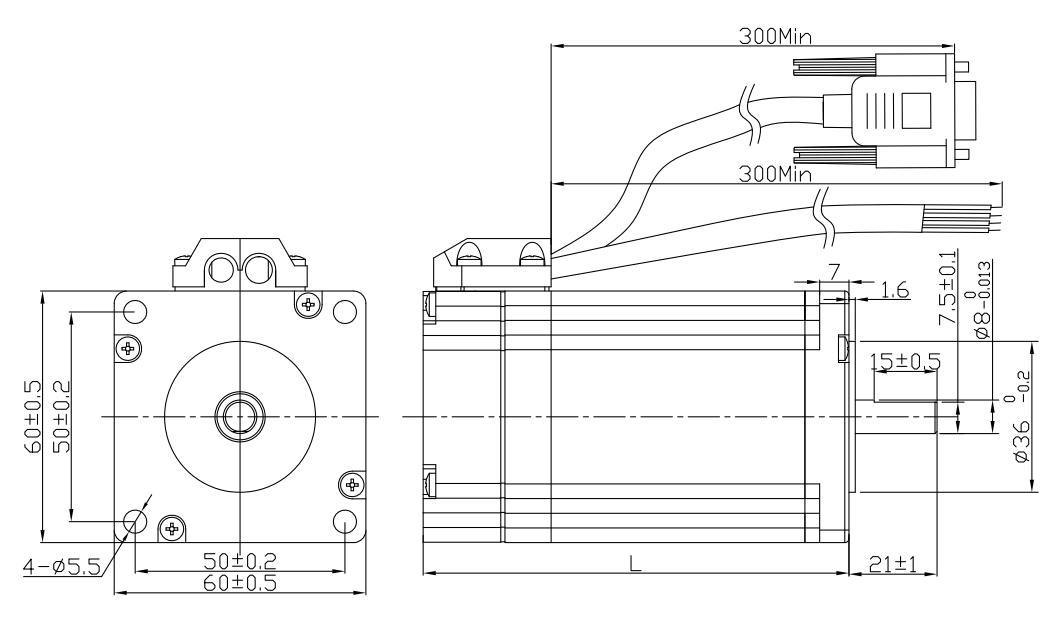
机身长度 (Motor Length) L

mm

103

109

重量     (Weight )

Kg

1.4

1.6

 

接线说明 (Electric Connection)   

序号No.

引出线颜色Lead Color

引出线型号Lead Gauge

功能Function

说明Description

3

红白色(Red/White)

 

Cable

Three rows of

15PIN D-SUB

GND

Signal Power negative

2

红色(Red)

VCC:+5VDC

Signal Power positive

13

蓝色(Blue)

EA-

Two-channel differential signal (Three-channel differential signal can be provided).

1

蓝黑色(Blue/Black)

EA+

12

黑色(Black)

EB-

11

黑白色(Black/White)

EB+

1

黑色(Black)

Cable

UL2464

AWG20

A相(Phase A)


2

绿色(Green)

C相(Phase C)

3

红色(Red)

B相(Phase B)

4

蓝色(Blue)

D相(Phase D)

 

该款电机可以根据客户需求定制。

The motor can be designed &manufactured with customized request.


电机尺寸

image



矩频曲线 (Pull out torque curve)

image


资料下载
FL60SC30 283.35 KB
FL60SC40 281.83 KB

Copyright 2023 版权所有 江苏富兴电机技术股份有限公司

网上正规雷火竞技网(官方)网站/网页版登录入口/手机版登录入口-最新版(已更新) 利记线上足球大全(官方)网站/网页版登录入口/手机版登录入口-最新版(已更新) 线上boyu·博鱼足球大全(官方)网站/网页版登录入口/手机版登录入口-最新版(已更新) 现金十大188BET导航(官方)网站/网页版登录入口/手机版登录入口-最新版(已更新) 最火真人博鱼网址(官方)网站/网页版登录入口/手机版登录入口-最新版(已更新) 188BET最大网(官方)网站/网页版登录入口/手机版登录入口-最新版(已更新) boyu·博鱼最新足球大全(官方)网站/网页版登录入口/手机版登录入口-最新版(已更新) 雷火竞技真人信誉网(官方)网站/网页版登录入口/手机版登录入口-最新版(已更新)