半岛外围网上直营

FL130BLG
产品中心 高性能防水无刷电机

FL130BLG

130mm高性能防水无刷电机,IP65, F级绝缘,伺服结构
选件:
  • FL130BLG

    编码器

  • FL130BLG

    齿轮箱

  • FL130BLG

    接插件

  • FL130BLG

    刹车

特性概要 ( General Specifications )

绕组连接方式 ( Winding Type )

星形 ( Star connection )

径向负载 ( Max radial force )

490N @ 20mm from the flange

轴向负载 ( Max axial force )

196N

绝缘等级 (Insulation Class)

Class B

防护等级 (Protection level)

IP65

使用环境温度 (Temperature)  

-20℃~ +50℃

使用环境湿度 (Relative humidity)

≤90%RH (无凝露)( No dewing)

存储环境 (Storage Condition)

-20℃~ +60℃,≤85%RH (无凝露)( No dewing)

安装环境(Installation environment)

远离腐蚀、可燃性气体,油滴,灰尘,

海拔≤1000m  Far away active gas,

Combustible gas, oil drop, ash


接线说明(Electric Connection)

Pin No

引出线型号Type

引出线颜色Color

功能Functions

5

UL1332 AWG26

 

绿色  ( Green )

霍尔电源正  ( Vcc )

1


黄色  ( Yellow )

霍尔 U ( Hu )

2


棕色  ( Brown )

霍尔 V ( Hv )

3


灰色  ( Gray )

霍尔 W ( Hw )

4


蓝色  ( Blue )

霍尔电源负 ( GND )

1

具体规格见图纸定义

黄色  ( Yellow )

U相 ( Phase U )

2


红色  ( Red)

V相 ( Phase V )

3


黑色  ( Black )

W相 ( Phase W )


电机技术性能 (Motor Technical Specification)


类型 (Model)单位(Unit)FL130BLG200FL130BLG300
额定功率(Rated power) PNW20003000
额定电压(Rate d voltage) UNVAC/VDC2204822048
额定转速(Rate d speed) nNrpm2000200020002000
额定转矩(Rate d tor que) TNN.m9.559.5514.314.3
额定电流(Rate d current) INArms7.852.911.779.3
峰值转矩(Peak torque) TMN.m28.6528.6542.942.9
峰值电流(Peak current) IMArms23.4158.735.1237.9
电阻(Line to line resistance) Rzohm1.40.030.840.018
电感(Line to line inductance) LzmH6.80.144.801
反电势系数(Back EMF constant) KeV/krpm81128112
转矩系数(Torque constant) KN.m/A1.220.181.220.18
转动惯量(Rotor inertia) Jm0kg.cm 2141419.919.9
转动惯量带制动器(Rotor inertia with brake) Jm1kg.cm 215.215.220.220.2
极数(Number of poles)
10101010
机身长度(Motor length) L1mm150165178193
机身长度带制动器(Motor length with brake) L2mm178193206221
重量(Weight)kg77.511.712.7
重量带制动器(Weight with brake)kg9.51014.215.2


该款电机可以根据客户需求定制。

The motor can be designed &manufactured with customized request.


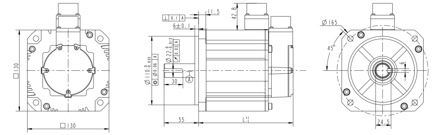
电机尺寸

image

资料下载

Copyright 2023 版权所有 江苏富兴电机技术股份有限公司

网上正规雷火竞技网(官方)网站/网页版登录入口/手机版登录入口-最新版(已更新) 利记线上足球大全(官方)网站/网页版登录入口/手机版登录入口-最新版(已更新) 线上boyu·博鱼足球大全(官方)网站/网页版登录入口/手机版登录入口-最新版(已更新) 现金十大188BET导航(官方)网站/网页版登录入口/手机版登录入口-最新版(已更新) 最火真人博鱼网址(官方)网站/网页版登录入口/手机版登录入口-最新版(已更新) 188BET最大网(官方)网站/网页版登录入口/手机版登录入口-最新版(已更新) boyu·博鱼最新足球大全(官方)网站/网页版登录入口/手机版登录入口-最新版(已更新) 雷火竞技真人信誉网(官方)网站/网页版登录入口/手机版登录入口-最新版(已更新)