半岛外围网上直营

FL36CBL-IE
产品中心 一体化系列

FL36CBL-IE

Φ36mm 一体化无刷电机,带内置驱动器,24VDC, 4800RPM
选件:
  • FL36CBL-IE

    编码器

  • FL36CBL-IE

    齿轮箱

  • FL36CBL-IE

    接插件

  • FL36CBL-IE

    刹车

特性概要 ( General Specifications )

绕组连接方式 ( Winding Type )

星形 ( Star connection)

霍尔分布角度 ( Hall Effect Angle )

120度电角度 ( Electrical Angle of 120 degree)

径向间隙 ( Radial Play )

0.02mm@450g

轴向间隙 ( Axial Play )

0.08mm@450g

最大径向负载 ( Max radial force )

15N  距法兰10mm ( 10mm From the flange)

最大轴向负载 ( Max axial force )

10N

介电强度 ( Dielectric Strength )  

600VAC/1S

绝缘电阻 ( Insulation Resistance )

100MΩ, 500VDC

环境温度 ( Ambient Temperature )

-20°C   ~   +50°C

绝缘等级 (Insulation Class)

Class B



  

接线说明(Electric Connection)

引出线型号Type

引出线颜色Color

功能Functions

红色Red \黑色  Black,UL1430 AWG24;others  UL1430 AWG26

红色  ( Red )

电源正  ( Vcc )

黑色  ( Black )

电源负  ( GND )

蓝色  ( Blue )

转向控制(Rotating Direction)CW/CCW

绿色  ( Green )

PWM调速(Speed Control)

黄色 (Yellow )

转速信号反馈(Tacho out)

白色(White)

刹车(Break)

 

电性能 (Electrical Specifications)            ; 


单 位 (Unit)

FL36CBL30-24V-488A-IE-02

FL36CBL40-24V-4818A-IE-02

FL36CBL50-24V-4828A-IE

FL36CBL57-24V-4533A-IE

FL36CBL60-24V-4840A-IE-01

FL36CBL65-24V-4845A-IE

极数  ( Number of poles )


8

相数  ( Number of phases )


3

额定电压( Rated  voltage )

VDC

24

额定转矩 ( Rated torque)

mN.m

15

35

55

70

80

90

连续运行转矩

( Continuous stall torque)

mN.m

18

42

66

84

96

108

额定速度 ( Rated speed )

RPM

4800

4800

4800

4500

4800

4800

额定功率 ( Rated power )

W

8

18

28

33

40

45

峰值转矩 ( Peak torque )

mN.m

45

105

110

110

110

110

峰值电流 ( Peak current

A

1.3

3

3

3

3

3

线电阻 ( Line to line resistance )

ohms@20℃

5.2

2

1.2

1.05

0.95

0.88

线电感( Line to line inductance )

mH

3.3

1.9

1.2

1

0.85

0.8

转矩常数( Torque constant )

mN.m/A

36

40

39

40

40

40

反电势( Back EMF )

Vrms/KRPM

2.7

3

2.9

3

3

3

转动惯量( Rotor inertia )

g.cm2

6

12

22

27

30

32

机身长度 ( Motor length )   L

mm

30

40

50

57

60

65

重量( Weight )               

Kg

0.12

0.16

0.23

0.25

0.27

0.28


该款电机可以根据客户需求定制。

The motor can be designed &manufactured with customized request.


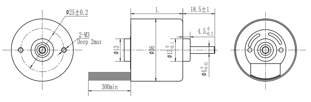
电机尺寸

image


资料下载
FL36CBL30-24V-488A-IE-02 150.17 KB
FL36CBL40-24V-4818A-IE-01 153.36 KB
FL36CBL50-24V-4828A-IE 146.81 KB
FL36CBL57-24V-4533A-IE 395.5 KB
FL36CBL60-24V-4840A-IE-01 153.52 KB
FL36CBL65-24V-4845A-IE 150.13 KB

Copyright 2023 版权所有 江苏富兴电机技术股份有限公司

网上正规雷火竞技网(官方)网站/网页版登录入口/手机版登录入口-最新版(已更新) 利记线上足球大全(官方)网站/网页版登录入口/手机版登录入口-最新版(已更新) 线上boyu·博鱼足球大全(官方)网站/网页版登录入口/手机版登录入口-最新版(已更新) 现金十大188BET导航(官方)网站/网页版登录入口/手机版登录入口-最新版(已更新) 最火真人博鱼网址(官方)网站/网页版登录入口/手机版登录入口-最新版(已更新) 188BET最大网(官方)网站/网页版登录入口/手机版登录入口-最新版(已更新) boyu·博鱼最新足球大全(官方)网站/网页版登录入口/手机版登录入口-最新版(已更新) 雷火竞技真人信誉网(官方)网站/网页版登录入口/手机版登录入口-最新版(已更新)