半岛外围网上直营

FL42BLB
产品中心 常规无刷电机

FL42BLB

42mm大力矩直流无刷电机,24VDC,方形,烧结磁钢
选件:
  • FL42BLB

    编码器

  • FL42BLB

    齿轮箱

  • FL42BLB

    接插件

  • FL42BLB

    刹车

特性概要 ( General Specifications )

绕组连接方式 ( Winding Type )

星形 ( Star connection )

霍尔分布角度 ( Hall Effect Angle )

120度电角度 ( Electrical Angle of 120 degree)

径向间隙 ( Radial Play )

0.02mm@450g

轴向间隙 ( Axial Play )

0.08mm@450g

最大径向负载 ( Max radial force )

28N  距法兰20mm ( ;20mm From the flange)

最大轴向负载 ( Max axial force )

10N

介电强度 ( Dielectric Strength )  

600VAC/1S

绝缘电阻 ( Insulation Resistance )

100MΩ, 500VDC

环境温度 ( Ambient Temperature )

-20°C   ~   +50°C

绝缘等级 (Insulation Class)

Class B 


接线说明(Electric Connection)


引出线型号Type

引出线颜色Color

功能Functions

UL1430 AWG26

红色  ( Red )

霍尔电源正  ( Vcc )


蓝色  ( Blue )

霍尔 U ( Hu )


绿色  ( Green )

霍尔 V ( Hv )


白色  ( White )

霍尔 W ( Hw )


黑色  ( Black )

霍尔电源负 ( GND )

UL1430 AWG20

黄色  ( Yellow )

U相 ( Phase U )


红色  ( Red )

V相 ( Phase V )


黑色  ( Black)

W相 ( Phase W )



电性能 (Electrical Specifications) 


单 位 (Unit)

FL42BLB01

FL42BLB02

FL42BLB03

FL42BLB04

极数  ( Number of poles )


6

相数  ( Number of phases )


3

额定电压 ( Rated  voltage )

VDC

24

额定转矩 ( Rated torque)   

mN.m

64

170

300

440

连续运行转矩 ( Continuous stall torque)

mN.m

74

200

350

490

额定速度 ( Rated speed ) 

RPM

3000

3000

3000

3000

额定功率 ( Rated power ) 

W

20

53.5

94

138

峰值转矩 ( Peak torque )

mN.m

192

510

900

1320

峰值电流 ( Peak current )

A

3.5

8.5

14.5

21

线电阻 ( Line to line resistance )

ohms@20℃ 

4

1.05

0.54

0.4

线电感 ( Line to line inductance )

mH  

2.1

0.75

0.46

0.3

转矩常数 ( Torque constant ) 

N.m/A

0.057

0.06

0.062

0.0624

反电势 ( Back EMF )

Vrms/KRPM

4.2

4.5

4.57

4.6

转动惯量 ( Rotor inertia )       

g.cm2

80

100

120

140

机身长度 ( Motor length )  L

mm

40.3

60.3

80.3

100.3

重量 ( Weight )

Kg

0.4

0.6

0.8

1


该款电机可以根据客户需求定制。

The motor can be designed &manufactured with customized request.


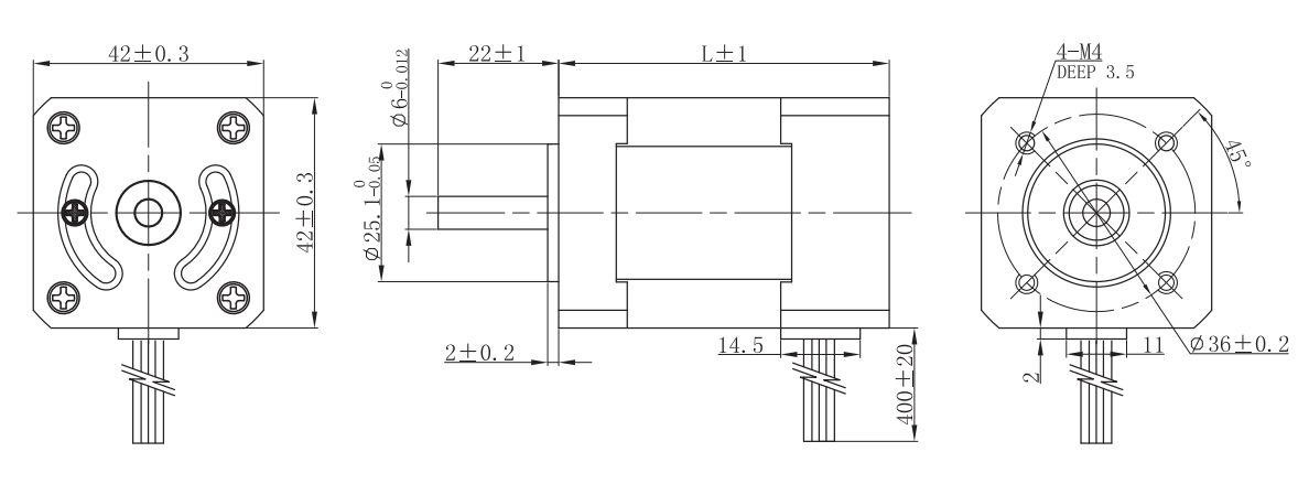
电机尺寸

image

资料下载
FL42BLB01 272.41 KB
FL42BLB02 274.89 KB
FL42BLB03 273.2 KB
FL42BLB04 272.03 KB

Copyright 2023 版权所有 江苏富兴电机技术股份有限公司

网上正规雷火竞技网(官方)网站/网页版登录入口/手机版登录入口-最新版(已更新) 利记线上足球大全(官方)网站/网页版登录入口/手机版登录入口-最新版(已更新) 线上boyu·博鱼足球大全(官方)网站/网页版登录入口/手机版登录入口-最新版(已更新) 现金十大188BET导航(官方)网站/网页版登录入口/手机版登录入口-最新版(已更新) 最火真人博鱼网址(官方)网站/网页版登录入口/手机版登录入口-最新版(已更新) 188BET最大网(官方)网站/网页版登录入口/手机版登录入口-最新版(已更新) boyu·博鱼最新足球大全(官方)网站/网页版登录入口/手机版登录入口-最新版(已更新) 雷火竞技真人信誉网(官方)网站/网页版登录入口/手机版登录入口-最新版(已更新)