半岛外围网上直营

FL48CBL
产品中心 经济型无刷电机

FL48CBL

Φ48mm 经济型无刷电机,24VDC, 3000RPM
选件:
  • FL48CBL

    编码器

  • FL48CBL

    齿轮箱

  • FL48CBL

    接插件

  • FL48CBL

    刹车

特性概要 ( General Specifications )

绕组连接方式 ( Winding Type )

星形 ( Star connection)

霍尔分布角度 ( Hall Effect Angle )

120度电角度 ( Electrical Angle of 120 degree)

径向间隙 ( Radial Play )

0.02mm@450g

轴向间隙 ( Axial Play )

0.08mm@450g

最大径向负载 ( Max radial force )

15N  距法兰10mm ( 10mm From the flange)

最大轴向负载 ( Max axial force )

10N

介电强度 ( Dielectric Strength )  

600VAC/1S

绝缘电阻 ( Insulation Resistance )

100MΩ, 500VDC

环境温度 ( Ambient Temperature )

-20°C   ~   +50°C

绝缘等级 (Insulation Class)

Class B 


接线说明(Electric Connection)

引出线型号Type

引出线颜色Color

功能Functions

UL1430 AWG26

红色  ( Red)

霍尔电源正  ( Vcc )

蓝色  ( Blue )

霍尔 U ( Hu )

绿色  ( Green )

霍尔 V ( Hv )

白色  ( White )

霍尔 W ( Hw )

黑色  ( Black)

霍尔电源负 ( GND )

UL1430 AWG20

黄色  (Yellow )

U相 ( Phase U )

红色  ( Red)

V相 ( Phase V )

黑色  ( Black)

W相 ( Phase W )

电性能 (Electrical Specifications)             


单 位 (Unit)

FL48CBL68-24V-3060A

极数  ( Number of poles )


10

相数  ( Number of phases )


3

额定电压 ( Rated  voltage )         

VDC

24

额定转矩 ( Rated torque)        

mN.m

180

连续运行转矩 ( Continuous stall torque)

mN.m

216

额定速度 ( Rated speed )   ;      

RPM

3000

额定功率 ( Rated power )         

W

60

峰值转矩 ( Peak torque )          

mN.m

540

峰值电流 ( Peak current )        ; 

A

9.4

线电阻 ( Line to line resistance )              

ohms@20℃ 

0.7

线电感 ( Line to line inductance )              

mH  

0.7

转矩常数 ( Torque constant )  ;       

mN.m/A

58

反电势 ( Back EMF )           

Vrms/KRPM

4.3

转动惯量 ( Rotor inertia )          ; 

g.cm2

80

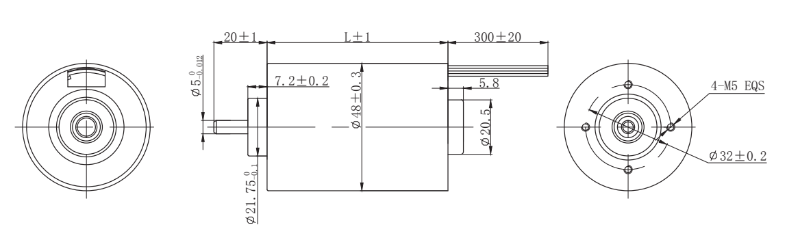
机身长度 ( Motor length )  ;     L

mm

68

重量 ( Weight )               

Kg

0.5


该款电机可以根据客户需求定制。

The motor can be designed &manufactured with customized request.


电机尺寸

image

资料下载
FL48CBL68-24V-3060A 185.92 KB

Copyright 2023 版权所有 江苏富兴电机技术股份有限公司

网上正规雷火竞技网(官方)网站/网页版登录入口/手机版登录入口-最新版(已更新) 利记线上足球大全(官方)网站/网页版登录入口/手机版登录入口-最新版(已更新) 线上boyu·博鱼足球大全(官方)网站/网页版登录入口/手机版登录入口-最新版(已更新) 现金十大188BET导航(官方)网站/网页版登录入口/手机版登录入口-最新版(已更新) 最火真人博鱼网址(官方)网站/网页版登录入口/手机版登录入口-最新版(已更新) 188BET最大网(官方)网站/网页版登录入口/手机版登录入口-最新版(已更新) boyu·博鱼最新足球大全(官方)网站/网页版登录入口/手机版登录入口-最新版(已更新) 雷火竞技真人信誉网(官方)网站/网页版登录入口/手机版登录入口-最新版(已更新)