半岛外围网上直营

FL42CBL-IE
产品中心 一体化系列

FL42CBL-IE

Φ42mm 一体化无刷电机,带内置驱动器,24VDC, 3000RPM~5900RPM
选件:
  • FL42CBL-IE

    编码器

  • FL42CBL-IE

    齿轮箱

  • FL42CBL-IE

    接插件

  • FL42CBL-IE

    刹车


特性概要 ( General Specifications )

绕组连接方式 ( Winding Type )

星形 ( Star connection)

霍尔分布角度 ( Hall Effect Angle )

120度电角度 ( Electrical Angle of 120 degree)

径向间隙 ( Radial Play )

0.02mm@450g

轴向间隙 ( Axial Play )

0.08mm@450g

最大径向负载 ( Max radial force )

15N  距法兰10mm ( 10mm From the flange)

最大轴向负载 ( Max axial force )

10N

介电强度 ( Dielectric Strength )  

600VAC/1S

绝缘电阻 ( Insulation Resistance )

100MΩ, 500VDC

环境温度 ( Ambient Temperature )

-20°C   ~   +50°C

绝缘等级 (Insulation Class)

Class B

  

接线说明(Electric Connection)

引出线型号Type

引出线颜色Color

功能Functions

UL1332 AWG22

红色  ( Red )

电源正  ( Vcc )

黑色  ( Black )

电源负  ( GND )

UL1430 AWG26

绿色  ( Green )

转向控制(Rotating Direction)CW/CCW

白色  ( White )

PWM调速(Speed Control)

蓝色  ( Blue )

刹车(Brake)

黄色  ( Yellow )

PG转速信号反馈(Tacho out)

 

电性能 (Electrical Specifications)


单 位 (Unit)

FL42CBL60-24V-5943-IE

FL42CBL66-24V-3031A-IE

极数  ( Number of poles )


4

相数  ( Number of phases )


3

额定转矩 ( Rated torque) 

mN.m

68

100

连续运行转矩 ( Continuous stall torque)

mN.m

81.6

120

额定速度 ( Rated speed ) 

RPM

5900

3000

额定功率 ( Rated power ) 

W

43

31

峰值转矩 ( Peak torque )

mN.m

92

200

峰值电流 ( Peak current )

A

3

3

线电阻 ( Line to line resistance )

ohms@20℃ 

0.82

2.5

线电感 ( Line to line inductance )

mH  

1.2

3.3

转矩常数 ( Torque constant ) 

mN.m/A

33.75

65

反电势 ( Back EMF )

Vrms/KRPM

2.5

4.82

转动惯量 ( Rotor inertia )

g.cm2

44

55

机身长度 ( Motor length ) L

mm

60

66

重量 ( Weight ) 

Kg

0.35

0.44

 

该款电机可以根据客户需求定制。

The motor can be designed &manufactured with customized request.


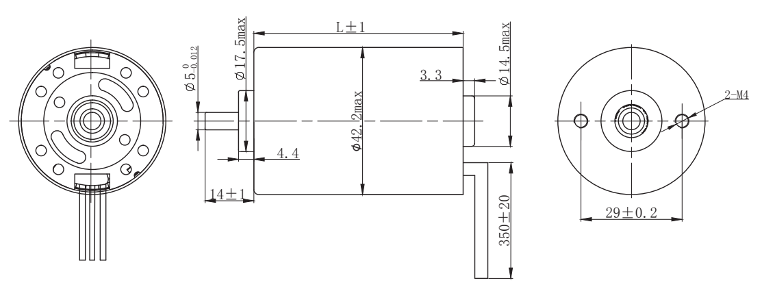
电机尺寸

image


资料下载
FL42CBL60-24V-5943-IE 293.72 KB
FL42CBL66-24V-3031A-IE 234.32 KB

Copyright 2023 版权所有 江苏富兴电机技术股份有限公司

网上正规雷火竞技网(官方)网站/网页版登录入口/手机版登录入口-最新版(已更新) 利记线上足球大全(官方)网站/网页版登录入口/手机版登录入口-最新版(已更新) 线上boyu·博鱼足球大全(官方)网站/网页版登录入口/手机版登录入口-最新版(已更新) 现金十大188BET导航(官方)网站/网页版登录入口/手机版登录入口-最新版(已更新) 最火真人博鱼网址(官方)网站/网页版登录入口/手机版登录入口-最新版(已更新) 188BET最大网(官方)网站/网页版登录入口/手机版登录入口-最新版(已更新) boyu·博鱼最新足球大全(官方)网站/网页版登录入口/手机版登录入口-最新版(已更新) 雷火竞技真人信誉网(官方)网站/网页版登录入口/手机版登录入口-最新版(已更新)