半岛外围网上直营

FL60SV
FL60SV
产品中心 伺服电机

FL60SV

60mm伺服电机,200-400W,48VDC,220VDC
选件:
  • FL60SV

    编码器

  • FL60SV

    齿轮箱

  • FL60SV

    接插件

  • FL60SV

    刹车


一般技术特性 (General Technical Information)

特性(Characteristic)

参数(Parameter)

编码器类型(Encoder type)

1、光电编码器 Optical encoder

2、磁编码器 Magnetic encoder

3、旋转变压器Resolver

备注:多种分辨率可选,增量式、绝对值式可选。

Note: Multiple resolutions are available;Incremental and absolute values are available.

径向负载( Max radial force )

245N @ 20mm from the flange

 

 

 

环境条件

Environmental conditions 

使用环境温度: -20℃~ +40℃;

Temperature: -20℃~ +40℃

使用环境湿度:≤90%RH(无凝露);

Relative humidity: ≤90%RH(No dewing)

安装环境:远离腐蚀、可燃性气体,油滴,灰尘,

海拔≤1000m(1000~4000m,降额使用);

Installation environment: Far away active gas,

Combustible gas, oil drop, ash.

altitude≤1000m(1000~4000m,Derating use);

存储环境:-20℃~ +60℃,≤85%RH(无凝露)。

Storage Condition: -20℃~ +60℃,≤85%RH(No dewing).

轴向负载( Max axial force )

98N

绝缘等级(Insulation Class)

Class B

防护等级(Protection level)

IP65

 

电机技术性能 (Motor Technical Specification)

类型(Model)

单位(Unit)

FL60SV20

FL60SV40

额定功率(Rated power)Pn

W

200

400

额定电压(Rated voltage)U

VDC

48

220

48

220

额定转速(Rated speed) nn

RPM

3000

3000

3000

3000

额定转矩(Rated torque)Tn

N·m

0.64

0.64

1.27

1.27

额定电流(Rated current) In

A

6

1.2

12

2.4

最大转速(Maximum speed) nmax

RPM

   5000

6000

5000

    6000

最大转矩(Maximum torque)Tm

N·m

1.92

1.92

3.81

3.81

最大电流(Maximum current)Im

 A

18

3.6

36

7.2

电阻(Line to line resistance) RL

Ω

0.38

9.35

0.23

3.46

电感(Line to line inductance) LL

mH

0.68

17

0.3

7.14

反电势系数(BackEMF) Ke

V/Krpm

6.5

32

6.5

32

转矩系数(Torque constant) Kt

Nm/A

0.107

0.53

0.107

0.53

电气时间常数(Electrical time constant) τe

ms

1.79

1.81

1.3

2.06

机械时间常数(Mechanical time constant) τm

ms

0.85

21.01

0.52

12.96

转动惯量(Rotor inertia) Jm0

Kg.cm²

0.15

0.15

0.25

0.25

转动惯量带制动器(Rotor inertia with brake) Jm1

Kg.cm²

0.15

   0.15

     0.25

0.25

极数(Number of poles)


10

10

10

10

编码器(Encoder)

2500ppr光电编码器(增量式)

2500p/rev incremental encoder

机身长度(Motor length) L1

mm

86.5

79.5

106

99

机身长度带制动器(Motor length with brake) L2

mm

123

116

142.5

135.5

重量 (Weight)

Kg

0.95

     0.9

1.35

1.3

重量带制动器(Weight with brake)

Kg

1.35

     1.3

1.85

1.8

 

接线说明 (Electric Connection)  

序号

No.

引出线颜色

Lead Color

引出线型号

Lead Gauge

功能

Function

说明

Description

1

黄色(Yellow)

Cable

AWG16

U相(Phase U)


2

红色(Red)

V相(Phase V)


3

黑色(Black)

W相(Phase W)


编码器接线颜色定义见图纸。


该款电机可以根据客户需求定制。

The motor can be designed &manufactured with customized request.


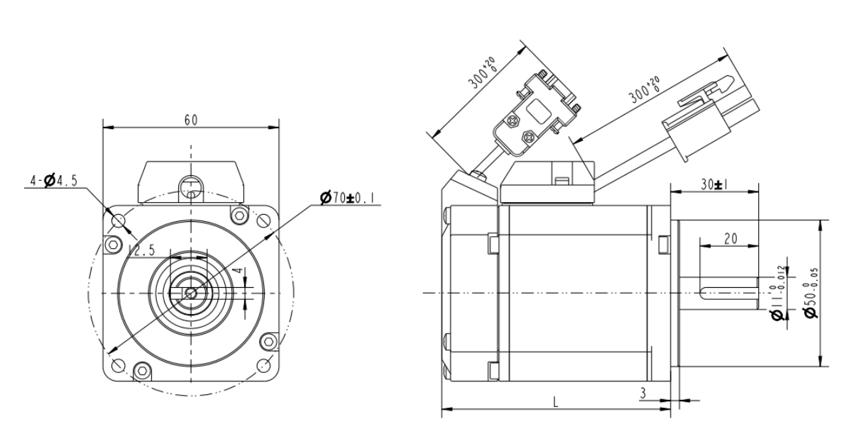
电机尺寸

image


性能曲线 (Performance Curve)

 image


资料下载
FL60SV40-48V-30EA1 170.72 KB
FL60SV20-48V-30EA1 171.98 KB
FL60SV20-220V-30EA1 172.52 KB
FL60SV40-220V-30EA1 174.39 KB

Copyright 2023 版权所有 江苏富兴电机技术股份有限公司

网上正规雷火竞技网(官方)网站/网页版登录入口/手机版登录入口-最新版(已更新) 利记线上足球大全(官方)网站/网页版登录入口/手机版登录入口-最新版(已更新) 线上boyu·博鱼足球大全(官方)网站/网页版登录入口/手机版登录入口-最新版(已更新) 现金十大188BET导航(官方)网站/网页版登录入口/手机版登录入口-最新版(已更新) 最火真人博鱼网址(官方)网站/网页版登录入口/手机版登录入口-最新版(已更新) 188BET最大网(官方)网站/网页版登录入口/手机版登录入口-最新版(已更新) boyu·博鱼最新足球大全(官方)网站/网页版登录入口/手机版登录入口-最新版(已更新) 雷火竞技真人信誉网(官方)网站/网页版登录入口/手机版登录入口-最新版(已更新)