半岛外围网上直营

FL39ST
产品中心 1.8°两相步进电机

FL39ST

1.8° 39mm, Nema 16, ST结构混合式步进电机
选件:
  • FL39ST

    编码器

  • FL39ST

    齿轮箱

  • FL39ST

    接插件

  • FL39ST

    刹车

特性概要(General specification)

项目(Item)

说明(Specifications)

步距角(Step Angle)

1.8°

步距角精度(Step Angle Accuracy)

±5% (整步无负载,full step, no load)

径向间隙( Radial Play)

0.02mm@450 g

轴向间隙( Axial Play)

0.08mm@450 g

最大径向负载(Max. radial force)

28N  距法兰20mm  (20mm from the flange)

最大轴向负载(Max. axial force)

10N  

介电强度(Dielectric Strength)

600VAC / 1s

绝缘电阻(Insulation Resistance)

100MΩ ,500VDC

环境温度(Ambient Temperature)

-20。C~+50。C

绝缘等级(Insulation Class)

Class B

 

电性能(Electrical specifications)

型号(Model No.)

Current

/Phase

每相

电流

Resistance

/Phase

每相

电阻

Inductance

/Phase

每相

电感

Holding

Torque

保持

转矩

Detent

Torque

定位

转矩

# of Leads

引出线数

Rotor

Inertia

转动惯量

Weight

重量

Length

机身

长度

Single shaft(单出轴)

A

Ω

mH

N.m

N.m

#

g-cm2

kg

mm

FL39ST20-0404A

0.4

6.6

6.0

0.065

0.005

4

11

0.12

20

FL39ST20-0506A

0.5

15

6.0

0.065

6

FL39ST34-0404A

0.4

30

43

0.21

0.012

4

20

0.18

34

FL39ST34-0306A

0.3

34

20

0.13

6

FL39ST38-0504A

0.5

22

40

0.29

0.018

4

24

0.2

38

FL39ST38-0806A

0.8

7.5

8

0.2

6

FL39ST44-0304A

0.3

40

60

0.28

0.025

4

40

0.25

44


该款电机可以根据客户需求定制。

The motor can be designed &manufactured with customized request.


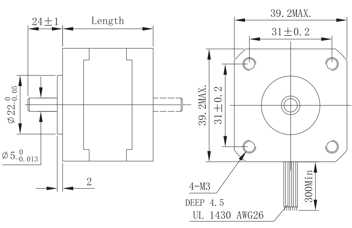
电机尺寸

image



接线图(Wiring Diagram)

  image

矩频曲线 (Pull out torque curve)   

image

image


资料下载
FL39ST34-0404A 51.95 KB
FL39ST20-0404A 53.7 KB
FL39ST38-0504A 64.64 KB
FL39ST44-0304B 52.8 KB

Copyright 2023 版权所有 江苏富兴电机技术股份有限公司

网上正规雷火竞技网(官方)网站/网页版登录入口/手机版登录入口-最新版(已更新) 利记线上足球大全(官方)网站/网页版登录入口/手机版登录入口-最新版(已更新) 线上boyu·博鱼足球大全(官方)网站/网页版登录入口/手机版登录入口-最新版(已更新) 现金十大188BET导航(官方)网站/网页版登录入口/手机版登录入口-最新版(已更新) 最火真人博鱼网址(官方)网站/网页版登录入口/手机版登录入口-最新版(已更新) 188BET最大网(官方)网站/网页版登录入口/手机版登录入口-最新版(已更新) boyu·博鱼最新足球大全(官方)网站/网页版登录入口/手机版登录入口-最新版(已更新) 雷火竞技真人信誉网(官方)网站/网页版登录入口/手机版登录入口-最新版(已更新)