半岛外围网上直营

FL57STH
产品中心 1.8°两相步进电机

FL57STH

1.8° 57mm, Nema 23, STH结构混合式步进电机
选件:
  • FL57STH

    编码器

  • FL57STH

    齿轮箱

  • FL57STH

    接插件

  • FL57STH

    刹车

特性概要(General specification)

项目(Item)

说明(Specifications)

步距角(Step Angle)

1.8。

步距角精度(Step Angle Accuracy)

±5% (整步,空载)

径向间隙( Radial Play)

0.02mm@450 g

轴向间隙( Axial Play)

0.08mm@450 g

最大径向负载(Max. radial force)

75N  距法兰20mm  (20mm from the flange)

最大轴向负载(Max. axial force)

15N

介电强度(Dielectric Strength)

600VAC / 1S

绝缘电阻(Insulation Resistance)

100MΩ ,500VDC

环境温度(Ambient Temperature)

-20。C~+50。C

绝缘等级(Insulation Class)

Class B

 

电性能(Electrical specifications)

型号(Model No.)

Current

/Phase

每相

电流

Resistance

/Phase

每相

电阻

Inductance

/Phase

每相

电感

Holding

Torque

保持

转矩

Detent

Torque

定位

转矩

# of Leads

引出线数

Rotor

Inertia

转动惯量

Weight

重量

Length

机身

长度

Single shaft

(单出轴)

A

Ω

mH

N.m

N.m

#

g-cm2

kg

mm

FL57STH41-2006A

2.0

1.4

1.4

0.39

0.02

6

120

0.45

40±1 

FL57STH41-2804A

2.8

0.7

1.4

0.55

0.02

4

120

0.45

40±1

FL57STH51-2006A

2.0

1.65

2.2

0.72

0.035

6

275

0.65

50±1

FL57STH51-2804A

2.8

0.83

2.2

1.0

0.035

4

275

0.65

50±1

FL57STH56-2006A

2.0

1.8

2.5

0.9

0.04

6

300

0.7

54±1

FL57STH56-2804A

2.8

0.9

2.5

1.26

0.04

4

300

0.7

54±1

FL57STH76-2006A

2.0

2.25

3.6

1.35

0.068

6

480

1.0

75±1

FL57STH76-2804A

2.8

1.13

3.6

1.89

0.068

4

480

1.0

75±1

FL57STH115-2804A

2.8

2.1

10

3.0

0.1

4

650

1.8

115±1

 

该款电机可以根据客户需求定制。

The motor can be designed &manufactured with customized request.


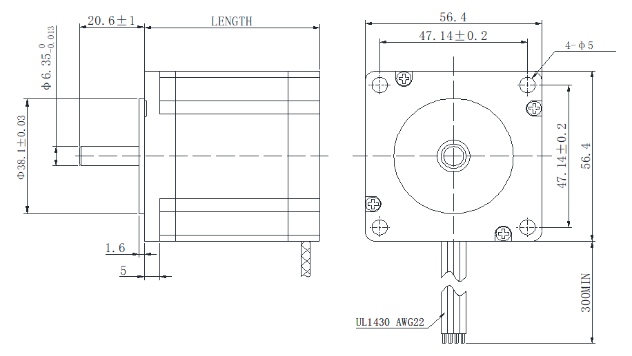
电机尺寸

image




接线图(Wiring Diagram)

image


                                                            

矩频曲线 (Pull out torque curve)

image

image


资料下载
FL57STH41-2006A 171.54 KB
FL57STH51-2006A 172.94 KB
FL57STH41-2804A 170.95 KB
FL57STH51-2804A 191.85 KB
FL57STH56-2006A 171.93 KB
FL57STH56-2804A 171.44 KB
FL57STH76-2006A 192.48 KB
FL57STH76-2804A 191.84 KB
FL57STH115-2804A 163.65 KB

Copyright 2023 版权所有 江苏富兴电机技术股份有限公司

网上正规雷火竞技网(官方)网站/网页版登录入口/手机版登录入口-最新版(已更新) 利记线上足球大全(官方)网站/网页版登录入口/手机版登录入口-最新版(已更新) 线上boyu·博鱼足球大全(官方)网站/网页版登录入口/手机版登录入口-最新版(已更新) 现金十大188BET导航(官方)网站/网页版登录入口/手机版登录入口-最新版(已更新) 最火真人博鱼网址(官方)网站/网页版登录入口/手机版登录入口-最新版(已更新) 188BET最大网(官方)网站/网页版登录入口/手机版登录入口-最新版(已更新) boyu·博鱼最新足球大全(官方)网站/网页版登录入口/手机版登录入口-最新版(已更新) 雷火竞技真人信誉网(官方)网站/网页版登录入口/手机版登录入口-最新版(已更新)