半岛外围网上直营

FL110SV
FL110SV
产品中心 伺服电机

FL110SV

110mm伺服电机,1500-2000W,48VDC,220VDC
选件:
  • FL110SV

    编码器

  • FL110SV

    齿轮箱

  • FL110SV

    接插件

  • FL110SV

    刹车

一般技术特性 (General Technical Information)

特性(Characteristic)

参数(Parameter)

编码器类型(Encoder type)

1、光电编码器 Optical encoder

2、磁编码器 Magnetic encoder

3、旋转变压器Resolver

备注:多种分辨率可选,增量式、绝对值式可选。

Note: Multiple resolutions are available;Incremental and absolute values are available.

径向负载( Max radial force )

630N @ 20mm from the flange

 

 

 

环境条件

Environmental conditions 

使用环境温度: -20℃~ +50℃;

Temperature: -20℃~ +50℃

使用环境湿度:≤90%RH(无凝露);

Relative humidity: ≤90%RH(No dewing)

安装环境:远离腐蚀、可燃性气体,油滴,灰尘,

海拔≤1000m(1000~4000m,降额使用);

Installation environment: Far away active gas,

Combustible gas, oil drop, ash.

altitude≤1000m(1000~4000m,Derating use);

存储环境:-20℃~ +85℃,≤85%RH(无凝露)。

Storage Condition: -20℃~ +85℃,≤85%RH(No dewing).

轴向负载( Max axial force )

315N

绝缘等级(Insulation Class)

Class B

防护等级(Protection level)

IP65


电机技术性能 (Motor Technical Specification)

类型 (Model)

单位(Unit)

FL110SV150

FL110SV200

额定功率(Rated power) Pn

W

1500

2000

额定电压(Rated voltage) U

V

220VAC

48VDC

220VAC

48VDC

额定转速(Rated speed)  nn

RPM

3000

3000

3000

3000

额定转矩(Rated torque)  Tn

N·m

4.77

4.77

6.37

6.37

额定电流(Rated current) In

A

7.6

43.4

10.1

58

最大转速(Maximum speed)  nmax

RPM

5000

5000

5000

5000

最大转矩(Maximum torque) Tm

N·m

14.3

14.3

19.1

19.1

最大电流(Maximum current) Im

 A

22.8

130

30.3

174

电阻(Line to line resistance) RL

Ω

0.36

0.01

0.29

0.009

电感(Line to line inductance) LL

mH

5.6

0.16

4.8

0.145

反电势系数(Back EMF) Ke

V/Krpm

38.1

6.35

38.1

6.63

转矩系数(Torque constant) Kt

Nm/A

0.63

0.11

0.63

0.11

电气时间常数(Electrical time constant)    τe

ms

15

16

16.5

16.1

机械时间常数(Mechanical time constant) τm

ms

0.48

0.48

0.51

0.53

转动惯量(Rotor inertia)  Jm0

kg.cm²

3.1

3.1

4.1

4.1

转动惯量带制动器(Rotor inertia with brake) Jm1

kg.cm²

3.47

3.47

4.47

4.47

极数(Number of poles)


10

10

10

10

编码器(Encoder)


2500ppr光电编码器(增量式)

2500p/rev incremental encoder

机身长度(Motor length)  L1

mm

151.5

156.5

168.5

173.5

机身长度带制动器(Motor length with brake) L2

mm

187

192

204

209

重量 (Weight)

Kg

5

5.2

6.7

6.9

重量带制动器(Weight with brake)

Kg

6

6.2

7.7

7.9

 

连接器接线说明 (Electric Connection)   

动力线的连接器接线定义见图纸。

编码器的连接器接线定义见图纸。


该款电机可以根据客户需求定制。

The motor can be designed &manufactured with customized request.


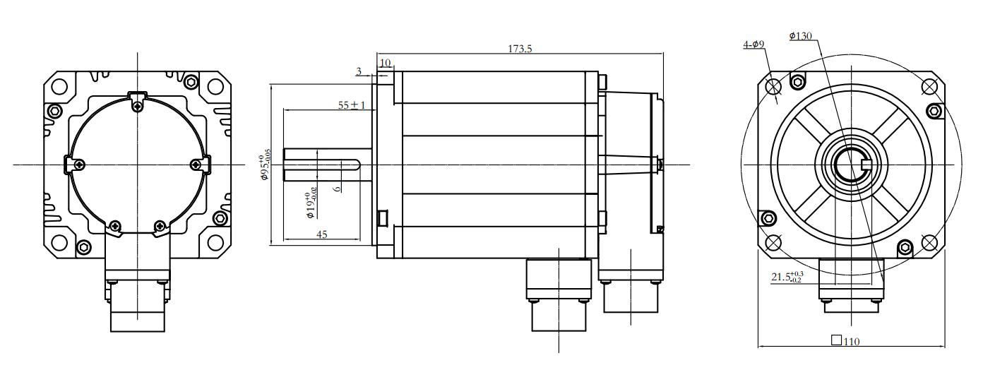
电机尺寸

image

性能曲线 (Performance Curve)

image


资料下载
FL110SV150-220V-30EA1 99.94 KB
FL110SV200-96V-30EA1 103.79 KB

Copyright 2023 版权所有 江苏富兴电机技术股份有限公司

网上正规雷火竞技网(官方)网站/网页版登录入口/手机版登录入口-最新版(已更新) 利记线上足球大全(官方)网站/网页版登录入口/手机版登录入口-最新版(已更新) 线上boyu·博鱼足球大全(官方)网站/网页版登录入口/手机版登录入口-最新版(已更新) 现金十大188BET导航(官方)网站/网页版登录入口/手机版登录入口-最新版(已更新) 最火真人博鱼网址(官方)网站/网页版登录入口/手机版登录入口-最新版(已更新) 188BET最大网(官方)网站/网页版登录入口/手机版登录入口-最新版(已更新) boyu·博鱼最新足球大全(官方)网站/网页版登录入口/手机版登录入口-最新版(已更新) 雷火竞技真人信誉网(官方)网站/网页版登录入口/手机版登录入口-最新版(已更新)