半岛外围网上直营

FL86STH
产品中心 1.8°两相步进电机

FL86STH

1.8° 86mm, Nema 34, STH结构混合式步进电机
选件:
  • FL86STH

    编码器

  • FL86STH

    齿轮箱

  • FL86STH

    接插件

  • FL86STH

    刹车

特性概要(General specification)

项目(Item)

说明(Specifications)

步距角(Step Angle)

1.8°

步距角精度(Step Angle Accuracy)

±5% (整步无负载,full step, no load)

径向间隙( Radial Play)

0.02mm@450 g

轴向间隙( Axial Play)

0.08mm@450 g

最大径向负载(Max. radial force)

220N  距法兰20mm  (20mm from the flange)

最大轴向负载(Max. axial force)

60N  

介电强度(Dielectric Strength)

1200VAC / 1S

绝缘电阻(Insulation Resistance)

100MΩ ,500VDC

环境温度(Ambient Temperature)

-20。C~+50。C

绝缘等级(Insulation Class)

Class B


电性能(Electrical specifications)

型号(Model No.)


Current

/Phase

每相

电流

Resistance

/Phase

每相

电阻

Inductance

/Phase

每相

电感

Holding

Torque

保持

转矩

Detent

Torque

定位

转矩

# of Leads

引出线数

Rotor

Inertia

转动惯量

Weight

重量

Length

机身

长度

Single shaft

(单出轴)


A

Ω

mH

N.m

N.m

#

g-cm2

kg

mm

 

 

 

FL86STH65-2808A

 

单极性

unipolar

2.8

1.3

3.9

2.2

0.08

8

1000

1.7

65

串联

series

2

2.6

15.6

3.5

并联

parallel

4

0.65

3.9

3.5

 

 

 

FL86STH80-4208A

单极性

unipolar

4.2

0.65

3

3.2

0.12

8

1400

2.3

80

串联

series

3

1.3

12

4.5

并联

parallel

6

0.325

3

4.5

 

 

 

FL86STH118-4208A

单极性

unipolar

4.2

0.99

6

6

0.24

8

2700

3.8

118

串联

series

3

1.98

24

8.5

并联

parallel

6

0.495

6

8.5

 

 

 

FL86STH156-4208A

单极性

unipolar

4.2

1.25

8

8.4

0.36

8

4000

5.3

156

串联

series

3

2.5

32

12

并联

parallel

6

0.63

8

12


该款电机可以根据客户需求定制。

The motor can be designed &manufactured with customized request.


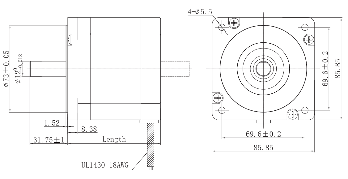
电机尺寸

image



接线图(Wiring Diagram)

image



矩频曲线 (Pull out torque curve)

imageimage


资料下载
FL86STH65-2808A 126.5 KB
FL86STH80-4208A 127.52 KB
FL86STH118-4208A 124.18 KB
FL86STH156-4508A 128.97 KB

Copyright 2023 版权所有 江苏富兴电机技术股份有限公司

网上正规雷火竞技网(官方)网站/网页版登录入口/手机版登录入口-最新版(已更新) 利记线上足球大全(官方)网站/网页版登录入口/手机版登录入口-最新版(已更新) 线上boyu·博鱼足球大全(官方)网站/网页版登录入口/手机版登录入口-最新版(已更新) 现金十大188BET导航(官方)网站/网页版登录入口/手机版登录入口-最新版(已更新) 最火真人博鱼网址(官方)网站/网页版登录入口/手机版登录入口-最新版(已更新) 188BET最大网(官方)网站/网页版登录入口/手机版登录入口-最新版(已更新) boyu·博鱼最新足球大全(官方)网站/网页版登录入口/手机版登录入口-最新版(已更新) 雷火竞技真人信誉网(官方)网站/网页版登录入口/手机版登录入口-最新版(已更新)