半岛外围网上直营

FL32BLWA
产品中心 外转子无刷电机

FL32BLWA

Φ32mm大力矩外转子无刷电机,9~24VDC,烧结磁钢
选件:
  • FL32BLWA

    编码器

  • FL32BLWA

    齿轮箱

  • FL32BLWA

    接插件

  • FL32BLWA

    刹车

特性概要 ( General Specifications )

绕组连接方式 ( Winding Type )

星形 ( Star connection)

霍尔分布角度 ( Hall Effect Angle )

120度电角度 ( Electrical Angle of 120 degree)

径向间隙 ( Radial Play )

0.02mm@450g

轴向间隙 ( Axial Play )

0.08mm@450g

最大径向负载 ( Max radial force )

14N距法兰5mm ( 5mm From the flange)

最大轴向负载 ( Max axial force )

4.8N

介电强度 ( Dielectric Strength )  

600VAC/1S

绝缘电阻 ( Insulation Resistance )

100MΩ, 500VDC

环境温度 ( Ambient Temperature )

-20°C ~ +50°C

绝缘等级 (Insulation Class)

Class B 


接线说明(Electric Connection)

PinNo

引出线型号Type

功能Functions

1

FPC

霍尔电源正  ( Vcc )

2


霍尔 W ( Hw )

3


霍尔 U ( Hu )

4


霍尔 V ( Hv )

5


霍尔电源负 ( GND )

6


W相 ( Phase W )

7


V相 ( Phase V )

8


U相 ( Phase U )


电性能(Electrical Specifications)      


单 位 (Unit)

FL32BLW18 -9V-3706A

FL32BLW18-12V-4607A

FL32BLW18-24V-4507A

FL32BLW18-48V-4808A

极数  ( Number of poles )


8

相数  ( Number of phases )


3

额定电压 ( Rated  voltage )         

VDC

9

12

24

48

额定转矩 ( Rated torque)        

mN.m

29.5

25.1

25.5

24.7

连续运行转矩 ( Continuous stall torque)

mN.m

35.4

30.1

30.6

29.6

额定速度 ( Rated speed )         

RPM

2100

2800

2760

2950

额定功率 ( Rated power )         

W

6

7

7

8

峰值转矩 ( Peak torque )          

mN.m

73.8

75.3

76.5

74.1

峰值电流 ( Peak current )         ;

A

3.4

3.2

1.7

0.97

线电阻 ( Line to line resistance )              

ohms@20℃ 

2.87

3.43

13.7

53

线电感 ( Line to line inductance )              

mH  

1.61

1.87

 7.73

27.8

转矩常数 ( Torque constant )         

mN.m/A

23

24.8

51

96.1

反电势 ( Back EMF )           

Vrms/KRPM

1.7

1.83

3.77

7.1

转动惯量 ( Rotor inertia )           

g.cm2

35

35

35

35

机身长度 ( Motor length )       

mm

18

18

18

18

重量 ( Weight )               

g

50

50

50

50


该款电机可以根据客户需求定制。

The motor can be designed &manufactured with customized request.


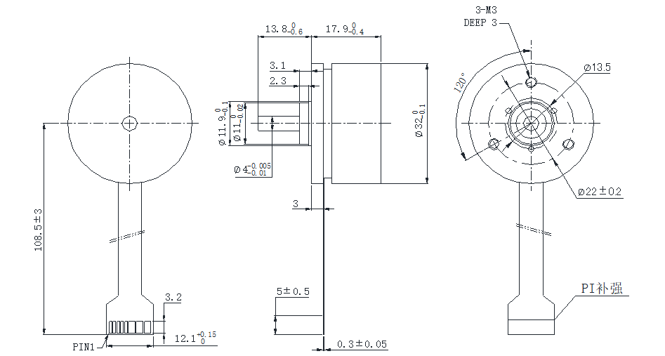
电机尺寸

image

资料下载

Copyright 2023 版权所有 江苏富兴电机技术股份有限公司

网上正规雷火竞技网(官方)网站/网页版登录入口/手机版登录入口-最新版(已更新) 利记线上足球大全(官方)网站/网页版登录入口/手机版登录入口-最新版(已更新) 线上boyu·博鱼足球大全(官方)网站/网页版登录入口/手机版登录入口-最新版(已更新) 现金十大188BET导航(官方)网站/网页版登录入口/手机版登录入口-最新版(已更新) 最火真人博鱼网址(官方)网站/网页版登录入口/手机版登录入口-最新版(已更新) 188BET最大网(官方)网站/网页版登录入口/手机版登录入口-最新版(已更新) boyu·博鱼最新足球大全(官方)网站/网页版登录入口/手机版登录入口-最新版(已更新) 雷火竞技真人信誉网(官方)网站/网页版登录入口/手机版登录入口-最新版(已更新)