半岛外围网上直营

FL57SVA
产品中心 闭环无刷电机

FL57SVA

57mm闭环直流无刷电机,36VDC, 3000RPM
选件:
  • FL57SVA

    编码器

  • FL57SVA

    齿轮箱

  • FL57SVA

    接插件

  • FL57SVA

    刹车

一般技术特性 (General Technical Information)

特性(Characteristic)参数(Parameter)

编码器类型

(Encoder type)

1、光电编码器 Optical encoder

2、磁编码器 Magnetic encoder

3、旋转变压器Resolver

备注:多种分辨率可选,增量式、绝对值式可选。

Note: Multiple resolutions are available;Incremental and absolute values are available.

径向负载

(Max radial force )

115N@20mm from the flange

 

 

 

环境条件

Environmental conditions 

使用环境温度: -20℃~ +40℃;

Temperature: -20℃~ +40℃

使用环境湿度:≤90%RH(无凝露);

Relative humidity: ≤90%RH(No dewing)

安装环境:远离腐蚀、可燃性气体,油滴,灰尘,

海拔≤1000m(1000~4000m,降额使用);

Installation environment: Far away active gas,

Combustible gas, oil drop, ash.

altitude≤1000m(1000~4000m,Derating use);

存储环境:-20℃~ +60℃,≤85%RH(无凝露)。

Storage Condition: -20℃~ +60℃,≤85%RH(No dewing).

轴向负载

(Max axial force )

45N

绝缘等级

(Insulation Class)

B

防护等级

(Protection level)

IP30

 

电机技术性能 (Motor Technical Specification)


单位(Unit)

FL57SVA02

FL57SVA03

FL57SVA04

额定电压(Rated voltage)

VDC

36

36

36

额定转速(Rated speed)

RPM

3000

3000

3000

额定转矩(Rated torque)

N·m

0.3

0.45

0.6

额定电流(Rated current)

A

94

141

188

空载转速(no load speed)

RPM

4400

4400

4400

峰值转矩(Peak torque)

N·m

0.9

1.35

1.8

峰值电流(Peak current) 

A

12.6

16.2

22.5

电阻(Line to line resistance)

Ω

1.2

0.8

      0.5

电感(Line to line inductance)

mH

1.2

0.8

      0.6

反电势系数(Back EMF)

V/Krpm

5.6

5.6

      5.7

转矩系数(Torque constant)

Nm/A

0.075

0.075

       0.08

极数(Number of poles)


8

编码器(Encoder)

CPR

1000

转动惯量(Rotor inertia)

g.cm2

210

320

430

机身长度 (Motor length) L

mm

76

96

116

重量(Weight)

Kg

0.8

1.0

1.2

  

 接线说明(Electric Connection)  

序号

No.

引出线颜色

Lead Color

引出线型号

Lead Gauge

功能

Function

说明

Description

1

红白色(Red/White)

 

 

 

Cable

AWG26

GND

Signal Power negative

2

红色( Red)

VCC:+5VDC

Signal Power positive

3

蓝色(Blue)

EA-

Two-channel differential signal (Three-channel differential signal can be provided).

4

蓝黑色(Blue/Black)

EA+

5

黑色(Black)

EB-

6

黑白色(Black/White)

EB+

7

棕色(Brown)

霍尔HALL A


8

橙色(Orange)

霍尔HALL B


9

黄色(Yellow)

霍尔HALL C


1

黄色(Yellow)

Cable

AWG18

U相(Phase U)


2

红色(Red)

V相(Phase V)


3

黑色(Black)

W相(Phase W)


 

 


该款电机可以根据客户需求定制。

The motor can be designed &manufactured with customized request.


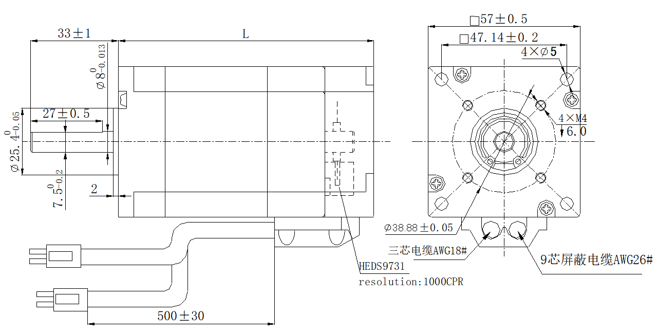
电机尺寸

image


性能曲线 (Performance Curve)

image


资料下载
FL57SVA02-E1 185.25 KB
FL57SVA03-E1 185.87 KB
FL57SVA04-E1-02 185.99 KB

Copyright 2023 版权所有 江苏富兴电机技术股份有限公司

网上正规雷火竞技网(官方)网站/网页版登录入口/手机版登录入口-最新版(已更新) 利记线上足球大全(官方)网站/网页版登录入口/手机版登录入口-最新版(已更新) 线上boyu·博鱼足球大全(官方)网站/网页版登录入口/手机版登录入口-最新版(已更新) 现金十大188BET导航(官方)网站/网页版登录入口/手机版登录入口-最新版(已更新) 最火真人博鱼网址(官方)网站/网页版登录入口/手机版登录入口-最新版(已更新) 188BET最大网(官方)网站/网页版登录入口/手机版登录入口-最新版(已更新) boyu·博鱼最新足球大全(官方)网站/网页版登录入口/手机版登录入口-最新版(已更新) 雷火竞技真人信誉网(官方)网站/网页版登录入口/手机版登录入口-最新版(已更新)