半岛外围网上直营

iST42-FD
Product IE Driver for Stepper Motor

iST42-FD

Adopting 32-bit ARM digital processing technology and built-in micro and intermediate frequency vibration suppression technology, effectively improving the smoothness of motor operation and reducing heat generation. Segmentation and current can be set through dialing, with a simple interface definition, committed to providing customers with a cost-effective all-in-one machine control solution.
option:
  • iST42-FD
  • iST42-FD
  • iST42-FD
  • iST42-FD

Characteristics:

1. Adopting a dedicated 32-bit motor control chip

2. Open loop vector control technology

3. Low speed ultra quiet, smooth current, suitable for applications in various scenarios

4. Voltage level 12VDC~48VDC, supports wide voltage input

5. Pulse signal level supports TTL 3.3V \ 5V, and supports common cathode and common anode connections

6. Maximum pulse frequency of control command 250KHz

7. It has protection functions such as overvoltage, undervoltage, overcurrent, and overtemperature

8. Built in smooth micro subdivision technology

9. When the motor is stationary, the current automatically decays, reducing the amount of heat generated

10. Ultra high cost-effectiveness, economically efficient

11. Acceptable customization


Typical applications:

Widely used in various small and medium-sized automation equipment and instruments, such as electronic processing equipment, 3C non-standard automation equipment, screw locking machines, wire stripping machines, winding machines, terminal machines, laser machines, marking machines, spray painting machines, small and medium-sized carving machines, automatic grabbing equipment, specialized CNC machine tools, packaging equipment and robots.


Product Overview:

Adopting 32-bit ARM digital processing technology and built-in micro and intermediate frequency vibration suppression technology, effectively improving the smoothness of motor operation and reducing heat generation. Segmentation and current can be set through dialing, with a simple interface definition, committed to providing customers with a cost-effective all-in-one machine control solution.


Dial code setting:

Using a 6-digit DIP switch to set the minimum current and fractional value, the detailed description is as follows:

image

SW4 and SW5 set the minimum current of the driver

Current

SW4

SW5

0.5A

ON

ON

1A

OFF  

ON

1.5A

ON  

OFF

2A

OFF

OFF

Subdivision of dialing codes SW1, SW2, SW3: As shown in the dialing subdivision table below, customers can set the required subdivision through dialing.

Pulse/rev

SW1

SW2

SW3

400

ON

ON

ON

800

OFF

ON

ON

1600

ON

OFF

ON

3200

OFF

OFF

ON

6400

ON

ON

OFF

12800

OFF

ON

OFF

25600

ON

OFF

OFF

51200

OFF

OFF

OFF


Control Port (B08B-PASK-1 (LF) (SN) 8-bit Pin)

Pin   number

Signal

Function

Explanation

1

PU

pulse

Supports   3.3V and 5V levels, using higher levels requires external current limiting   resistors

2

F/R

direction

Conduction   refers to forward rotation, and cutoff refers to reverse rotation

3

MF

Enable

Conduction   is enabled, cutoff is stopped

4

AR

Alarm   clear

Conduction   can clear fault signals

5

XCOM

Input   signal common terminal

Supports   common anode and common cathode wiring

6

ALM

Alarm   output

OC   gate output

7

STA

Motor   operating status

High   level normal, low level alarm

8

YCOM

Output   signal common terminal

OC   gate output


Power Port (B06B-XASK-1(LF)(SN)  2-bit pin)

Pin   number

Signal

Function   Description

1

VDD

Power   input positive terminalinput voltage 10V~50Vdc

2

GND

Power   input negative terminal


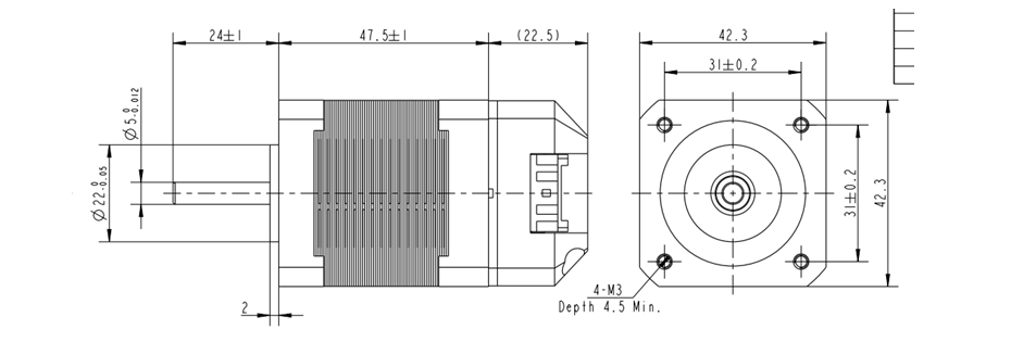
Motor size

image

Download
Debugging software 82 B
2D 219.65 KB
3D 3.56 MB
iST42-FD Series Integrated Closed-loop Stepper Motor User Manual 622.56 KB

Copyright 2023 Copyright Jiangsu Fulling Motor Technology Co., Ltd.

网上正规雷火竞技网(官方)网站/网页版登录入口/手机版登录入口-最新版(已更新) 利记线上足球大全(官方)网站/网页版登录入口/手机版登录入口-最新版(已更新) 线上boyu·博鱼足球大全(官方)网站/网页版登录入口/手机版登录入口-最新版(已更新) 现金十大188BET导航(官方)网站/网页版登录入口/手机版登录入口-最新版(已更新) 最火真人博鱼网址(官方)网站/网页版登录入口/手机版登录入口-最新版(已更新) 188BET最大网(官方)网站/网页版登录入口/手机版登录入口-最新版(已更新) boyu·博鱼最新足球大全(官方)网站/网页版登录入口/手机版登录入口-最新版(已更新) 雷火竞技真人信誉网(官方)网站/网页版登录入口/手机版登录入口-最新版(已更新)