半岛外围网上直营

FL70HSV
Product Frameless motor

FL70HSV

Φ 70mm frameless motor, 48VDC
option:
  • FL70HSV
  • FL70HSV
  • FL70HSV
  • FL70HSV

项目(Items)

FL70HSV10

FL70HSV19

公差(Tolerance)

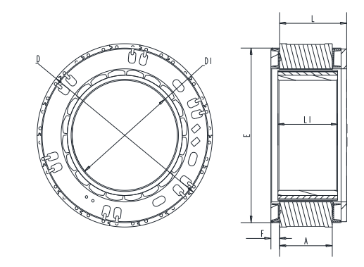
定子外径D

69mm

69mm

±0.037( js9)

定子长度L

15.1mm

23.5mm

±1

转子内径D1

42mm

42mm

+0.039/0(H8)

转子长度L1

12mm

21mm

±0.2

灌胶面外圆E

66mm

66mm

±0.2

灌胶面高度F

3.5mm

3.5mm

±0.3

定子铁芯高度A

10mm

18.9mm

/


特性概要 ( General Specifications )

绕组连接方式

( Winding Type   )

星形 ( Star   connection)

介电强度

( Dielectric   Strength ) 

1000VAC/1S

绝缘电阻

 ( Insulation Resistance )

100MΩ, 500VDC

环境温度

( Ambient   Temperature )

-20°C   ~     +50°C

绝缘等级

(Insulation   Class)

Class B


接线说明(Electric Connection)

引出线颜色

Color

引出线型号

Type

功能

Functions

白色 (WHT)

UL1332    

AWG26

NTC

白色 (WHT)

NTC

黄色  ( Yellow )

UL1332    

AWG20

AWG18

U (   Phase U )

红色  ( Red )

V (   Phase V )

黑色  ( Black)

W (   Phase W )


电性能 (Electrical Specifications)


(Unit)

FL70HSV10-48V-36250-T

FL70HSV19-48V-35366-T-01

极数  ( Number of poles )

 

20

20

相数  ( Number of phases )


3

3

额定电压 (   Rated  voltage )        ;

VDC

48

48

额定转矩 (   Rated torque)       

N.m

0.55

1.0

额定电流(Rated current)                

A

5.1

9.0

额定速度 (   Rated speed )        

RPM

3650

3500

额定功率 (   Rated power )        

W

210

366

最大转速(Maximum speed)              

RPM

4750

4500

峰值转矩 (   Peak torque )         

N.m

1.65

3.0

峰值电流 (   Peak current )        

A

15.5

27

线电阻 (   Line to line resistance )             

ohms@20

0.355

0.19

线电感 (   Line to line inductance ) ;            

mH 

0.33

0.18

转矩常数 (   Torque constant )        

Nm/A

0.118

0.12

反电势 (   Back EMF )          

Vrms/KRPM

7.14

7.2

重量 (   Weight )              

g

189

296

电气时间常数(Electrical   time constant)   

ms

0.93

0.95

根据要求,该款电机可以设计和制造成定制的类型。

The motor can be designed &manufactured with customized request.


Motor size

image

Download

Copyright 2023 Copyright Jiangsu Fulling Motor Technology Co., Ltd.

网上正规雷火竞技网(官方)网站/网页版登录入口/手机版登录入口-最新版(已更新) 利记线上足球大全(官方)网站/网页版登录入口/手机版登录入口-最新版(已更新) 线上boyu·博鱼足球大全(官方)网站/网页版登录入口/手机版登录入口-最新版(已更新) 现金十大188BET导航(官方)网站/网页版登录入口/手机版登录入口-最新版(已更新) 最火真人博鱼网址(官方)网站/网页版登录入口/手机版登录入口-最新版(已更新) 188BET最大网(官方)网站/网页版登录入口/手机版登录入口-最新版(已更新) boyu·博鱼最新足球大全(官方)网站/网页版登录入口/手机版登录入口-最新版(已更新) 雷火竞技真人信誉网(官方)网站/网页版登录入口/手机版登录入口-最新版(已更新)