半岛外围网上直营

FL50HSV
Product Frameless motor

FL50HSV

Φ 50mm frameless motor, 48VDC
option:
  • FL50HSV
  • FL50HSV
  • FL50HSV
  • FL50HSV

项目(Items)

FL50HSV08

FL50HSV15

公差(Tolerance)

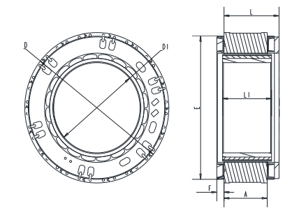
定子外径D

50mm

50mm

±0.031(js9)

定子长度L

20mm

26mm

±1

转子内径D1

30mm

30mm

(+0.033/0)H8

转子长度L1

16mm

22mm

±0.2

灌胶面外圆E

47.6mm

47.6mm

±0.2

灌胶面高度F

2.5mm

2.5mm

±0.3

定子铁芯高度A

8.6mm

15mm

+0.2/-0.3


特性概要 ( General Specifications )

绕组连接方式

( Winding Type )

星形 ( Star connection)

霍尔分布角度

 ( Hall Effect Angle )

120度电角度 (   Electrical Angle of 120 degree)

介电强度

( Dielectric Strength ) 

1000VAC/1S.2mA

绝缘电阻

 ( Insulation Resistance )

100MΩ, 500VDC

环境温度

( Ambient Temperature )

-20°C   ~   +50°C

绝缘等级

(Insulation Class)

Class B


接线说明(Electric Connection)

引出线颜色

Color

引出线型号

Type

功能

Functions

PIN1

Connector for   Hall is optional

Type:   SM07B-GHS-TB

热敏NTC2

PIN2

热敏NTC2

PIN3

霍尔电源负 (   GND )

PIN4

霍尔 U (   Hu )

PIN5

霍尔 U (   Hv )

PIN6

霍尔 W (   Hw )

PIN7

霍尔电源正  ( Vcc )

黄色  ( Yellow )

UL1332   AWG22

U (   Phase U )

红色  ( Red )

V (   Phase V )

黑色  ( Black)

W (   Phase W )


电性能 (Electrical Specifications)


(Unit)

FL50HSV08-48V-50170

FL50HSV15-48V-35183

极数  ( Number   of poles )


20

20

相数  ( Number   of phases )


3

3

额定电压 ( Rated    voltage )        

VDC

48

48

额定转矩 ( Rated torque)       

N.m

0.3

0.5

额定电流(Rated current)              ;  

A

3.6

4.8

额定速度 ( Rated speed )        

RPM

5000

3500

额定功率 ( Rated power )        

W

157

183

最大转速(Maximum speed) ;      ;       

RPM

6200

4800

峰值转矩 ( Peak torque )         

N.m

0.96

1.5

峰值电流 ( Peak current )        

A

11.6

14.5

线电阻 ( Line to line resistance )             

ohms@20

0.93

0.77

线电感 ( Line to line inductance )      ;       

mH 

0.45

0.38

转矩常数 ( Torque constant )        

Nm/A

0.089

0.117

反电势 ( Back EMF )          

Vrms/KRPM

5.4

7.1

重量 ( Weight )              

g

96

147

电气时间常数(Electrical time constant)   

ms

0.48

0.49

根据要求,该款电机可以设计和制造成定制的类型。

Motor size

image

Download

Copyright 2023 Copyright Jiangsu Fulling Motor Technology Co., Ltd.

网上正规雷火竞技网(官方)网站/网页版登录入口/手机版登录入口-最新版(已更新) 利记线上足球大全(官方)网站/网页版登录入口/手机版登录入口-最新版(已更新) 线上boyu·博鱼足球大全(官方)网站/网页版登录入口/手机版登录入口-最新版(已更新) 现金十大188BET导航(官方)网站/网页版登录入口/手机版登录入口-最新版(已更新) 最火真人博鱼网址(官方)网站/网页版登录入口/手机版登录入口-最新版(已更新) 188BET最大网(官方)网站/网页版登录入口/手机版登录入口-最新版(已更新) boyu·博鱼最新足球大全(官方)网站/网页版登录入口/手机版登录入口-最新版(已更新) 雷火竞技真人信誉网(官方)网站/网页版登录入口/手机版登录入口-最新版(已更新)